Componentes electrónicos de los circuitos de control
Los circuitos de control tienen diversas combinaciones de dispositivos que emplean circuitos eléctricos, electromagnéticos y electrónicos. En estos circuitos destacan principalmente componentes tales como interruptores, relés, contactores, transistores, optoacopladores, SCRs y TRIACs.
A continuación, en las siguientes figuras 👇 se muestran ejemplos de circuitos de control que integran estos componentes.
👉 En esta imagen 👇 vemos un circuito de control con relé de dos circuitos independientes.
![]() |
| Circuito de control con relé de dos circuitos independientes |
Circuito de control mediante transistor y relé eléctrico
👉 Esta otra imagen 👇 muestra un circuito de control con transistor y relé.
![]() |
| Circuito de control con transistor y relé |
👉 En esta próxima imagen 👇 vemos un diagrama trifilar a 220V.
![]() |
| Diagrama trifilar a 220V |
👉 En la siguiente imagen 👇 vemos un diagrama bifilar a 220V.
![]() |
| Diagrama bifilar a 220V |
👉 En esta otra imagen 👇 podemos ver un diagrama unifilar a 220V.
![]() |
| Diagrama unifilar a 220V |
💥 El conjunto de imágenes anterior 👆 corresponde a un circuito de control electromagnético para motor trifásico con contactores.
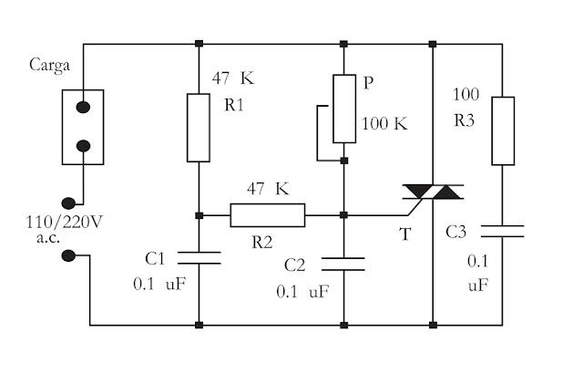
La siguiente figura 👇 nos muestra el circuito para controlar la potencia que se entrega a una
carga resistiva (en este caso es un foco).
![]() |
Circuito control de potencia para una carga resistiva |
La siguiente imagen 👇 muestra un circuito para controlar el nivel de iluminación de una habitación o control de velocidad para un taladro o un ventilador (motores de corriente alterna).
![]() |
| Circuito controlador nivel de iluminación o control velocidad motor de c.a. |
Control de un motor de c.a. mediante TRIAC y optoacoplador
En esta otra imagen 👇 vemos el circuito para controlar un motor de C.A. mediante un TRIAC y un
optoacoplador.
![]() |
| Circuito para controlar un motor de C.A. con TRIAC y optoacoplador |
💢 La siguiente figura 👇 nos muestra el circuito de control para un sistema de iluminación de emergencia de una sola fuente que mantendrá la carga en una batería para asegurar su disponibilidad y brindar también energía a una lámpara eléctrica si hay una interrupción eléctrica.
![]() |
| Circuito de control para un sistema de iluminación de emergencia |
Escrito por Archie Tecnology









Una nueva colección de diagramas básicos que se supone todo buen técnico en electrónica debería saber.
ResponderEliminar