![]() |
| Estabilización térmica de los transistores |
Con lo estudiado hasta ahora en esta serie de publicaciones "resistencia de carga y polarización de salida y de entrada" podría funcionar el transistor, pero sería de una forma inestable, a consecuencia de la repercusión que tendrían sobre él las variaciones de la temperatura.
Al aumentar la temperatura en el seno de la estructura del transistor se incrementa su agitación térmica y con ella la rotura de enlaces covalentes, con lo que aumenta el número de portadores de cargas eléctricas libres y el valor de las corrientes de todos los electrodos del transistor; es decir, al aumentar la temperatura, crece IE y con ella y proporcionalmente los valores de IB e IC.
En los sistemas que se describen a continuación, además de resolver la polarización fija de base, también se estabiliza el transistor ante las variaciones de temperatura.
A) Polarización y estabilización térmica por resistencia entre base y colector: Es un procedimiento muy utilizado, que sólo se diferencia del descrito en el circuito que vimos en nuestra anterior entrada sobre la polarización fija del transistor en que la resistencia de base se coloca unida directamente al colector, por lo que el divisor de intensidad está alimentado con una tensión igual a la del colector. Su esquema se representa en el circuito siguiente.
![]() |
| Polarización y estabilización térmica del transistor por resistencia entre base y colector |
La tensión VCE se reparte entre R y la resistencia interna de la unión N-P que forman la base y el emisor, la cual es la que sirve de polarización. Además, cualquier variación de temperatura, a las que son tan sensibles los semiconductores, no altera los valores de las intensidades que circulan por el transistor. Si se supone que crece la temperatura T, se origina una agitación térmica mayor y un aumento de la concentración de portadores, dando lugar a un incremento de IE y con ello de IB e IC. La tensión VCE = Vi - IC x RC, y como IC aumenta, al sustituirla en la fórmula anterior VCE disminuye y baja la polarización del divisor de tensión formado por R y la resistencia interna base-emisor, reduciéndose VBE, lo que provoca la disminución de la corriente de emisor, compensando así el aumento que había ocasionado la subida de temperatura. El proceso sería inverso en caso de disminuir la temperatura.
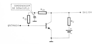
Con objeto de impedir la realimentación que desde el electrodo de salida o colector se produce hasta la base, existe una variante de este sistema que consiste en dividir en dos la resistencia y colocar en medio un condensador a masa que desacople la señal de realimentación, tal como se ha dibujado en la siguiente imagen.
![]() |
| Circuito estabilización térmica transistor con condensador de desacoplo |
B) Polarización y estabilización por resistencia y condensador en emisor: Junto con el sistema anterior, este que se describe es de los más aplicados en los circuitos transistorizados; consiste en colocar en el emisor, según podemos ver en la imagen siguiente, una resistencia y en paralelo con ella un condensador de desacoplo, de manera similar a la polarización por cátodo que se usaba con las válvulas de vacío.
![]() |
| Polarización y estabilización térmica del transistor por resistencia y condensador en emisor |
Analizando el circuito de la figura anterior, las resistencias R1 y R2 forman un divisor de tensión que polariza la base del transistor con 1,2 V positivos, mientras que RE, al ser atravesada por la componente continua, o sea la IC del punto de reposo, origina una tensión de 1 V positivo en el emisor. El condensador CE sirve para evitar el paso de la componente alterna de IE, producida por la señal de entrada y que se supone de cierta frecuencia: la XCE para ella es muy pequeña. La tensión existente entre base y emisor será de 1,2 - 1 = 0,2 V, que corresponderá a la del punto de reposo.
Al aumentar la temperatura T y con ella IE, crece la tensión fija de emisor y supera 1 V, por lo que al mantenerse fija la tensión de base en 1,2 V, VBE disminuye y con ella IE, compensando el efecto producido por el aumento de temperatura.
C) Polarización y estabilización mediante elementos térmicos: La posibilidad de realizar al mismo tiempo la polarización de la base y la estabilización térmica se puede lograr montando divisores de tensión, entre cuyos componentes figure alguno cuya resistencia varíe con la temperatura. Entre estos elementos destacan la N.T.C., la P.T.C. e incluso el mismo diodo semiconductor, quienes varían su resistencia interna al modificarse su temperatura. Se destaca como elemento más simple y de mayores posibilidades la N.T.C. (resistencia de coeficiente negativo de temperatura), que disminuye su resistencia al aumentar la temperatura.
![]() |
| Polarización y estabilidad térmica del transistor mediante elementos térmicos N.T.C. |
Al colocar como se indica en la figura anterior una N.T.C. cuya curva de respuesta a la temperatura se expone en la misma figura, si se produce un aumento de temperatura, la N.T.C. disminuye su
resistencia y baja la tensión entre sus extremos y por tanto la polarización VBE, con lo que la intensidad decrece y se compensa el efecto producido por la temperatura.
Para que la variación de la resistencia de la N.T.C. sea la adecuada y no se produzcan compensaciones excesivas, se suelen colocar en serie y en paralelo con ella otras resistencias óhmicas.
Escrito por Archie Tecnology
Si te ha gustado esta entrada y te ha sido de utilidad, por favor, ayuda a otros a encontrarnos con un Me Gusta en Facebook, o , un Twitter. Además para que puedas estar informado puntualmente de nuestras novedades puedes hacerte seguidor de este blog y seguirnos en nuestras redes sociales. Muchas gracias por su confianza, que es por lo que trabajamos y hace superarnos día a día.
ARTÍCULOS RELACIONADOS





Buen aporte
ResponderEliminar